Системы электроснабжения в зданиях
В данной статье рассматриваются системы электроснабжения в зданиях на самом базовом уровне. Мы обсудим общие принципы. Компоненты внутренней инженерной системы могут варьироваться в зависимости от размера здания и его предназначения.
Передача электричества
Передача мощности от электростанции наиболее эффективна при очень высоких напряжениях. В Соединенных Штатах Америки, например, энергетические компании обеспечивают электроэнергией средние и большие сооружения напряжением 13800 Вольт (13,8 кВ). В России, передача электроэнергии ведется на напряжениях 6, 10, 35, 110 кВ. Для небольших коммерческих объектов или бытовых построек напряжение подается с трансформаторной подстанции 6-10/0,4 кВ, на которой происходит понижение напряжения и частичное его распределение между потребителями.
Распределения питания в небольших сооружениях
Малые коммерческие или жилые здания имеют очень простые системы электроснабжения. Основу их составляет трансформатор 6-10/0,4 кВ, который обычно находится на площадке за пределами постройки или же установлен в специальном помещении. Трансформатор понижает напряжение с 10 или 6 кВ до 400/230 Вольт, а затем передает электроэнергию до вводно-распределительного устройства (ВРУ), который оборудован прибором учета потребления электроэнергии и защитной коммутационной аппаратурой, защищающей от токов короткого замыкания (КЗ) и перегрузок потребителей.
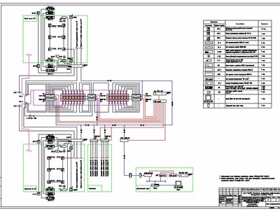
Схема распределения электроэнергии
Щитовые внутри помещения, как правило, имеют один главный выключатель и ряд автоматических выключателей, которые контролируют изменение потребляемого тока потребителями в сооружении. Такое решение позволяет распределить всю входную мощность, в соответствии с запросами и необходимостью, а также получить возможность независимую, селективную защиту от токов КЗ и перегрузок каждого потребителя.
Распределения питания в больших зданиях
Большие здания или предприятия имеют гораздо более высокую электрическую нагрузку, чем малые, следовательно, электрическое оборудование должно быть более мощное и надежное. Владельцы подобных построек предпочитают покупать электроэнергию при высоких напряжениях (в США, 13,8 кВ, в России 6 или 10 кВ), потому что речь идет о более дешевом тарифе. В этом случае владелец будет эксплуатировать за счет собственных средств приобретенную трансформаторную подстанцию, которая понижает напряжение до пригодного для эксплуатации оборудования уровня (в США, 480/277 Вольт, в России 400/230 Вольт). Эта трансформаторная подстанция может быть открытого или закрытого типа (комплектная), устанавливаться снаружи или внутри помещения. Проектирование системы электроснабжения, являющегося частью инженерного проектирования в подобных строениях, требует очень высокого уровня профессионализма.
Роль распределительного устройства заключается в безопасном и эффективном распределении электроэнергии для различных электрических установок по всему сооружению. Системы электроснабжения в Самаре оснащаются большим количеством функций безопасности, включая автоматические выключатели, которые позволяют отменить подачу электроэнергии из-за неисправности или проблемы у потребителя или устройства, используя при этом разные критерии оценки неисправности. Системы электроснабжения так же оснащаются устройствами автоматического ввода резерва (АВР), которые надежно обеспечивают электроэнергией потребителей, перерыв в электроснабжении которых совершенно не допустим. Благодаря этому технический персонал может проводить работы по конкретным направлениям подачи и распределения электроэнергии. Следует отметить, что очень большие здания или предприятия со сложными электрическими системами, как правило, оснащены двумя трансформаторами, каждый из которых подключен к независимой питающей линии 6 или 10 кВ (фидеру), благодаря чему обеспечивается высокая надежность электроснабжения.
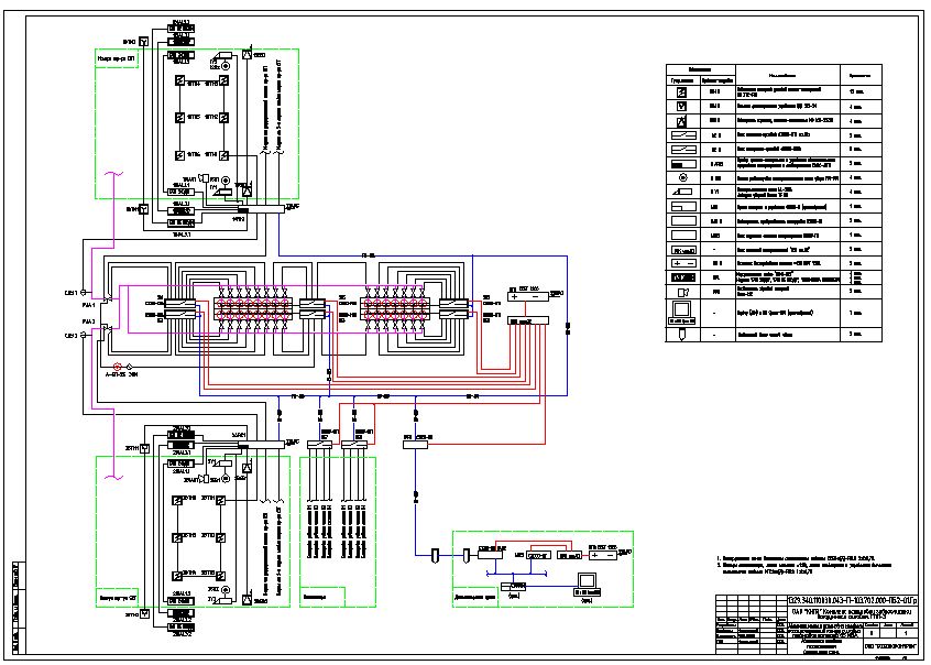
Схема распределения электроэнергии
Каждый электрический шкаф может обеспечить необходимым напряжением питания (380 или 220 вольт) в зависимости от конкретных запросов потребителя. Так, например, бытовая нагрузка (электрочайники, настольные лампы, мелкие бытовые приборы и пр.) питается от однофазной сети 220 Вольт, электродвигатели вентиляционных установок питаются от трехфазной сети 380 Вольт. Как же совместить однофазную и трехфазную нагрузку? Вопрос о правильном распределении однофазной электрической нагрузки 220 Вольт между тремя фазами 380 Вольт и нулевой точной, в целях исключения "перекоса фаз", решается на этапе проектирования и сборки электрических распределительных шкафов.
Наряду с бытовыми и специализированными электроустановками, в больших зданиях и предприятиях существуют особые электропотребители, к которым относится вычислительная техника, локальная вычислительная сеть, медицинское оборудование жизнеобеспечения, аварийное электроосвещение, противопожарная автоматика. Данный вид электропотребителей очень критичен к качеству и бесперебойности подачи электроэнергии. Поэтому такие потребители подключают на отдельные секции шин распределительной установки, не подключенные параллельно с мощными электроустановками, работа которых характеризуется как повторно-кратковременная. Такие потребители питаются от собственных электрических групповых шкафов, подключение бытовых приборов к которым недопустимо. Такие потребители, как правило, подключены к АВР и бесперебойным источникам питания с аккумуляторными батареями.




